VersaLift Manuals

NOTE: All documents require Adobe Reader to view PDF’s. If you do not have Adobe Reader on your computer you can download it here.
The fully automatic and affordable Versa Lift attic solution is the answer to all your storage needs. Home organization doesn’t have to be a chore when you have the option of convenient attic lift system. Whether you are facing a garage jammed packed with twenty years of clutter or you have just a few large items to store, the easy answer is the safe answer. The VersaLift revolutionizes how home storage is done. An attic lift system will make your life easier as you put valuables into the garage overhead storage.
-
VERSALIFT Q & A
-
VERSALIFT BROCHURE (Sales Brochure) -
VERSALIFT 24/32 COMPARISON GUIDE
-
VERSALIFT 24 INSTALLATION (Installation Guide for Installers) -
VERSALIFT 24 ROUGH IN (Rough In Measurements of Model 24 Installation) -
VERSALIFT 24 SPECIFICATIONS SHEET (Detailed Measurements of the Model 24) -
VERSALIFT 32 INSTALLATION GUIDE (Installation Guide for Installers) -
VERSALIFT 32 ROUGH IN (Rough In Measurements of Model 32) -
VERSALIFT 32 SPECIFICATIONS SHEET (Detailed Measurements of the Model 32) -
VERSALIFT 24 OWNERS MANUAL
-
VERSALIFT 32 OWNERS MANUAL
-
AUTO-SHUTTER 24 INSTALLATION GUIDE
-
AUTO-SHUTTER 32 INSTALLATION GUIDE
-
PLATFORM ENCLOSURE BROCHURE (MODEL 24 ONLY)(THIS PRODUCT IS NO LONGER AVAILABLE) -
TREADPLATE COVER INSTALLATION (MODEL 24/32)
-
TRUSS KIT INSTALLATION GUIDE 24 (For Installations Where You Are Installing BETWEEN TWO TRUSSES) -
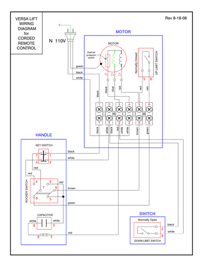
VERSALIFT CORDED WIRING DIAGRAM (Shows the Wiring & Inside of Hand-Held Corded Unit) -
VERSARAIL BROCHURE (Sales Brochure) -
VERSARAIL INSTALLATION GUIDE (How to Install VersaRail Safety Rail) -
VERSARAIL 60 SPECIFICATIONS (Measurements of VersaRail) -
VERSALIFT QUOTE FORM
-
TROUBLESHOOTING WIRELESS CONTROLLED UNITS
-
WALL SWITCH INSTALLATION (How to Properly Install the Wall Switch Model) (Comes with 2 Switches) -
VERSALIFT 24-32 SPEC ROUGH (Detailed manuals Measurements of BOTH Models 24/32) -
CAD FILES FOR ARCHITECTS AND DESIGNERS
-
2D CAD SYMBOLS GUIDE FOR ARCHITECTS AND DESIGNERS
The VersaLift works on simple push button technology that allows you to conveniently and easily move unused or rarely used items to a ceiling storage unit. This automatic attic lift system allows you to safely elevate items and secure them conveniently overhead where they can be easily retrieved when needed. By attic lifting items such as luggage, bikes, and even lawn furniture up and out of the way your garage becomes organized and clean.
In many cases a wireless unit may be your best bet. The wireless will allow you to operate the unit while you stand by and hold down the button. We have designed the unit so you can hold the operating button down while the unit raises or lowers. This is a built in safety function that is important while you are using the system. Join our family of satisfied customers and find out why they say that Versalift storage solution.



Speak to a Versa Lift Specialist:
405-516-2412

